Mobilbox Ekološki Kontejneri za Prodaju
Specijalizovana rešenja za skladištenje opasnih tečnosti
Mobilbox nudi TÜV sertifikovane ekološke kontejnere za sigurno skladištenje opasnih materija. Naša rešenja dostupna su i po povoljnim uslovima lizinga.
Profesionalni ekološki kontejneri u ponudi Mobilboxa
Naši kontejneri su posebno dizajnirani za:
-
Skladištenje opasnih tečnosti
-
Čuvanje opasnog otpada u komercijalnoj ili transportnoj ambalaži
-
Potpuno TÜV sertifikovani proizvodi
Ključne karakteristike:
✔ Visok nivo zaštite životne sredine
✔ Dupli zidovi sa sistemom za sprečavanje curenja
✔ Kompatibilni sa standardnim transportnim sistemima
✔ Mogućnost fleksibilnog iznajmljivanja ili kupovine
Primena:
-
Hemijska industrija
-
Skladišta opasnih materija
-
Reciklažni centri
-
Građevinske lokacije
Kontaktirajte nas za personalizovanu ponudu!
Naš tim stručnjaka će vam pomoći da odaberete optimalno rešenje za vaše potrebe.
Dostupni smo u celoj Srbiji
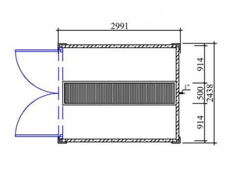
MK10 Kontejner za čuvanje opasnih materijala
Prilikom izrade ovog kontejnera u obzir je uzeta maksimalna sigurnost, radi privremenog skladištenja materijala, koji sadrže opasne tečnosti ili otpad. Kontejner ima čvrste, zapečaćene zidove s dvokrilnim vratima koja se otvaraju prema napolje na jednom kraju. Na podu se nalazi rezervoar koji je dizajniran za prikupljanje tečnosti, koja se zatim može isprazniti kroz zapečaćenu cev pomoću slavine koja se nalazi na levoj strani kontejnera. Uklonjivi pod postavljen iznad rezervoara izrađen je od pocinkovane, zavarene čelične rešetke. Kao rezultat, sve dok se poštuju propisi, nikakvog zagađenja okoline ne može biti uzrokovano opasnim otpadom koji bi mogao iscuriti tokom privremenog skladištenja.
Dimenzije
| Tip | Spoljašnje dimenzije | Unutrašnje dimenzije | Težina | ||||
| D | Š | V | D | Š | V | ||
| MK10 | 2,991 | 2,438 | 2,591 | 2,831 | 2,344 | 2,376 | 1,350 |
| MK20 | 6,058 | 2,438 | 2,591 | 5,898 | 2,344 | 2,376 | 2,200 |
Naše usluge
- najam kontejnera
- prodaja kontejnera
- savetovanje
- dizajniranje kontejnera
- proizvodnja kontejnera
- postavljanje kontejnera (manipulacija kranom, sastavljanje)
- prevoz kontejnera
- održavanje kontejnera
- izrada kontejnera prema posebnim zahtevima
Oblasti primene naših kontejnera
- kancelarije za projektante
- kancelarije za vođe gradilišta
- svlačionice
- smeštajne jedinice
- radionice
- recepcija
- portirnica
- prodajni prostori
- stanice za testiranja
- skladištenje opreme
- skladištenje alata
- mobilni sanitarni čvor



