- Koristi se za pohranu opasnih tekućina
Mobilbox kontejner za pohranu opasnih materijala za najam
Spremnici s TUV certifikatom prikladni za pohranu opasnih tvari i tekućina u njihovoj komercijalnoj ili transportnoj ambalaži Kome može biti zanimljiv najam kontejnera za pohranu opasnih materijala?
- Tko je u potrazi za sigurnim skladištenjem opasnih tvari
- Tko traži mobilno rješenje koje se jednostavno postavlja
- Kome je isplativost važan čimbenik
- Tko želi poštivati ekološke zahtjeve
- Kome je važna zaštita okoliša
Zašto se obratiti Mobilboxu kada je u pitanju najam kontejnera za pohranu opasnih materijala?
- Profesionalna usluga
- Prilagodba Vašim zahtjevima
- Prilagođen plan plaćanja
Odvodni spremnik za najam specifičnih karakteristika i veličina
MK10 Kontejner za pohranu opasnih materijala
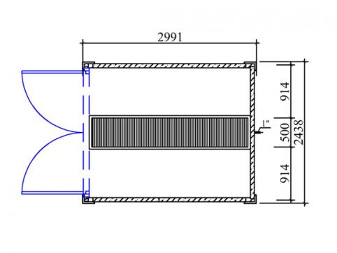
Prilikom izrade ovog kontejnera u obzir je uzeta maksimalna sigurnost, radi privremenog skladištenja materijala, koji sadrže opasne tekućine ili otpad. Kontejner ima čvrste, zapečaćene zidove s dvokrilnim vratima koja se otvaraju prema van na jednom kraju. Na podu se nalazi spremnik koji je dizajniran za prikupljanje tekućina, koja se zatim može isprazniti kroz zapečaćenu cijev pomoću slavine koja se nalazi na lijevoj strani kontejnera. Uklonjivi pod postavljen iznad spremnika izrađen je od pocinčane, zavarene čelične rešetke. Kao rezultat, sve dok se poštuju propisi, nikakvo zagađenja okoliša ne može biti uzrokovano opasnim otpadom koji bi mogao iscuriti tijekom privremenog skladištenja.
Tijekom izrade, poštovani su slijedeći zakoni i standardi:
- Kemijska sigurnost: Zakon XXV iz 2000. Odluka Ministarstva zdravstva br. 44/200. (WII.27)
- Gospodarenje otpadom: Zakon XLIII iz 2000., Odluka Vlade br. 98/2001. (VI.15)
- Nesreće s opasnim materijalima: Zakon LXXIV iz 1999.
- Zaštita od požara: Zakon XXXI iz 1996., Odluka Ministarstva unutarnjih poslova br. 2/2002 (1.23) i 35/1996. (XII.29)
- Međunarodni transport opasnih tvari na javnim cestama:
- Mađarski nacionalni standard MSZ 9936
Dimenzije
| Tip | Spoljašnje dimenzije | Unutrašnje dimenzije | Težina | ||||
| D | Š | V | D | Š | V | ||
| MK10 | 2,991 | 2,438 | 2,591 | 2,831 | 2,344 | 2,376 | 1,350 |
| MK20 | 6,058 | 2,438 | 2,591 | 5,898 | 2,344 | 2,376 | 2,200 |
PIŠITE NAM
Za ponudu ispunite formular
Naše usluge
- najam kontejnera
- prodaja kontejnera
- savetovanje
- dizajniranje kontejnera
- proizvodnja kontejnera
- postavljanje kontejnera (manipulacija kranom, sastavljanje)
- prevoz kontejnera
- održavanje kontejnera
- izrada kontejnera prema posebnim zahtevima
Oblasti primene naših kontejnera
- kancelarije za projektante
- kancelarije za vođe gradilišta
- svlačionice
- smeštajne jedinice
- radionice
- recepcija
- portirnica
- prodajni prostori
- stanice za testiranja
- skladištenje opreme
- skladištenje alata
- mobilni sanitarni čvor



